| État de disponibilité: | |
|---|---|
| Quantité: | |
Machine de formage de rouleaux à joint debout
La machine de toiture métallique à joint debout a différents types utilisés avec des tôles ondulées et des tôles IBR, ou des tôles de tuiles vernissées, autobloquantes.
machine de toit.La feuille est largement utilisée dans de nombreux types d'usines industrielles, de bâtiments civils et de panneaux de toit pour les pièces jointes.
A l'avantage d'une jolie apparence, d'une utilisation durable, etc.
Spécification:
Non. | Article | Unité | |
1. | Matériel de traitement | PPGI | |
2. | Type de profil | En tant que client’demande | |
3. | Épaisseur de la bobine d'alimentation | mm | 0,4-0,8 |
4. | Oui | M Pennsylvanie | 300 - 650 |
5. | Matériau de l'arbre plein | Acier de haute qualité 45#, traitement de trempe et de revenu | |
6. | Diamètre de l'arbremètre | mm | 70 |
7. | Station de rouleau | Non. | 20 |
8. | Matériel à rouler | 45#Acier | |
9. | Traitement du rouleau | mm | Chromage dur 0,05 - 0,08 |
dix. | Vitesse de la ligne | Vers 12h-15h m/min | |
11. | Type d'entraînement de la machine de formage de rouleaux | Chaîne | |
12. | Puissance du moteur principal | kW | 7.5 |
Machine de découpe | |||
13. | Taper | Coupe hydraulique contrôlée par PLC | |
14. | Capacité d'épaisseur | mm | 0,4-0,8 |
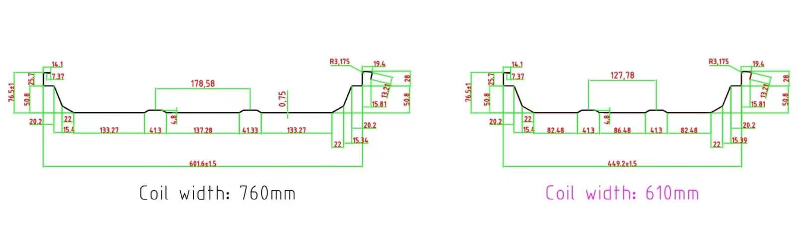
15. | Capacité en largeur | mm | Comme dessin |
16. | Qualité d'acier de la lame de coupe | Cr12, trempe | |
17. | Dureté | 58-62 HRC | |
18. | Tolérance de coupe | mm | +/- 1 |
Unité de contrôle | |||
19. | Taper | Contrôlé par PLC | |
20. | Marque d'automate | Delta | |
21. | Puissance du convertisseur de fréquence | kW | 4 |
22. | Dimension de la machine | Environ 9 m * 0,9 m * 1,2 m | |
23. | Poids | kg | 4500 |
24. | Zone de travail | m | 20*3 |
25. | Tension | 3800V,50HZ,3Phase | |
Match de machine à cintrer hydraulique avec couture debout :
Il peut ajuster l'angle par PLC, et il peut se plier pour une feuille longue, car la machine peut baisser.
Machine à coudre automatique :
Machine de formage de rouleaux à joint debout
La machine de toiture métallique à joint debout a différents types utilisés avec des tôles ondulées et des tôles IBR, ou des tôles de tuiles vernissées, autobloquantes.
machine de toit.La feuille est largement utilisée dans de nombreux types d'usines industrielles, de bâtiments civils et de panneaux de toit pour les pièces jointes.
A l'avantage d'une jolie apparence, d'une utilisation durable, etc.
Spécification:
Non. | Article | Unité | |
1. | Matériel de traitement | PPGI | |
2. | Type de profil | En tant que client’demande | |
3. | Épaisseur de la bobine d'alimentation | mm | 0,4-0,8 |
4. | Oui | M Pennsylvanie | 300 - 650 |
5. | Matériau de l'arbre plein | Acier de haute qualité 45#, traitement de trempe et de revenu | |
6. | Diamètre de l'arbremètre | mm | 70 |
7. | Station de rouleau | Non. | 20 |
8. | Matériel à rouler | 45#Acier | |
9. | Traitement du rouleau | mm | Chromage dur 0,05 - 0,08 |
dix. | Vitesse de la ligne | Vers 12h-15h m/min | |
11. | Type d'entraînement de la machine de formage de rouleaux | Chaîne | |
12. | Puissance du moteur principal | kW | 7.5 |
Machine de découpe | |||
13. | Taper | Coupe hydraulique contrôlée par PLC | |
14. | Capacité d'épaisseur | mm | 0,4-0,8 |
15. | Capacité en largeur | mm | Comme dessin |
16. | Qualité d'acier de la lame de coupe | Cr12, trempe | |
17. | Dureté | 58-62 HRC | |
18. | Tolérance de coupe | mm | +/- 1 |
Unité de contrôle | |||
19. | Taper | Contrôlé par PLC | |
20. | Marque d'automate | Delta | |
21. | Puissance du convertisseur de fréquence | kW | 4 |
22. | Dimension de la machine | Environ 9 m * 0,9 m * 1,2 m | |
23. | Poids | kg | 4500 |
24. | Zone de travail | m | 20*3 |
25. | Tension | 3800V,50HZ,3Phase | |
Match de machine à cintrer hydraulique avec couture debout :
Il peut ajuster l'angle par PLC, et il peut se plier pour une feuille longue, car la machine peut baisser.
Machine à coudre automatique :
